Search here
Logg inn
Logg inn
Norwegian, Bokmål
Norwegian, Bokmål
Bremsedeler
Bremseskosett
Reparasjonssett
Bremsekabler
Bremsekabel tilbehør
Bremsetrommler
Bremsejustering
Baksperre
Knæled
Bremsefjærer
Akselmuttere
Navkapper
Ankerplate
AL-KO AAA
Knott ANS
Knott hydraulik
Bremseudlignere
Løbenav
Hjulbolter og muttere
Hjullager
Hjullagresett
Hjullagre, løse
Tetningsringer
Låseringe
Akselmuttere
Navkapper
Påløpsbremser
Påløpsbremser, komplett
Støtdempere
Gummibelger
Håndbrems
Håndbrems gassfjær
Fjærsylindre
Sikkerhedswire
Trekkrør
Foringer trekkrør
Bremsehevsarm
Bremseudlignere
Støttehjulskonsoller
Støttehjulsklemmer
Stikholdere
Dekke for påløpsbremse
Kulekoblinger
Kulekoblinger ubremset
Kulekoblinger bremset
Stabilisatorkoblinger
Låse
Reservedeler for koblinger
Soft Dock
Lykter
Lyktesett
Baklykter
Markeringslykter
Nummerplatelykter
Ryggelykter
Tåkelykter
Stoplykter
Arbejdslykter
Lyktbom
Reflekser
Ledningsnett
Multistikk
Glødelamper
Lystestere
Stikk
Stikk
Stikkdoser
Holdere for stikkdose
Adapter
LED adapter
Spiralkabel
Kabel
Multistikk
Ledningsnett
Stikkholdere
Tilhengerkabel holder
Vinsjer
12V el-vinsjer
24V el-vinsjer
Manuell vinsjer
Fjernbetjeninger
Monteringsplater
Dekningscover
Batterikasse
Quick-Connector
Taljeblok
Wire
Rullestyr
Kroker
Syntetisk tau
Alu-styr for tau
Trekkbånd for manuell vinsj
Releer og kontrollbokser
AL-KO reservedeler
EASY fjernbetjening
Støttehjul
Støttehjul
Støttehjulsklemmer
Reservedeler
Støttehjulskonsoller
Støttehjulstraverse
Støtteben
Tilbehør
Presenninger
Presenningsbøyler
Elastiksnor
Tilhengernett
Koblingslåse
Tilhengerbeslag
Tilhengerskjermer
Hjul
Felge
Hjulbolter og muttere
Reservehjulsholdere
Værktøyskasser
Kjøreramper
Surringsbeslag
Jekkestropper
Støtteben
Stopkiler
Trekk kuler
Kulebeskytter
Dokumentholder
Hydrauliksylinder
Sykkel-carrier
Caravantilbehør
Båthengertilbehør
Gassfjærer
NORDIC TrailerParts gassfjærer
Universal gassfjærer
Tilbehør for gassfjærer
Aksler
Aksel bremset
Aksel ubremset
Hjulstøtdemper
Støtdemperbrakett
Lagersalg
Info
Finn den rette reservedelen
FAQ nettbutikk
Om oss
Kontakt oss
Salgs- og leveringsbetingelser
Logg inn
Logg inn
Norwegian, Bokmål
Norwegian, Bokmål
Produkter
Tilbehør
Båthengertilbehør
Sideruller
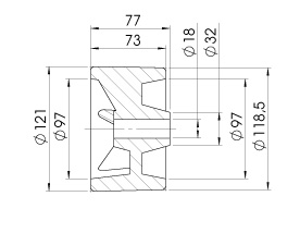
Siderulle Ø121x77mm, til Ø18mm aksel
Siderulle Ø121x77mm, til Ø18mm aksel
Previous
Next
Siderulle Ø121x77mm, til Ø18mm aksel
3-360719
AL-KO Compact
Fabrikat/Passer til
AL-KO
Original nr.
360719
Produkt type
Båtrulle , Siderulle
Weight
0,7
Lengde (mm)
77
Diameter akselhull
18mm
Diameter (mm)
121
Preferences
Bremsedeler
Bremsedeler
Bremseskosett
Reparasjonssett
Bremsekabler
Bremsekabler
AL-KO med gjenger
AL-KO hurtigmontasje
AL-KO gammel type
AL-KO Ø300mm
BPW -7 RASK
BPW -5 og -6 RASK
Knott med gjenger
Knott hurtigmontasje
Knott rustfri
Knott hydraulik
WAP standard
WAP humbaur
Peitz
Ifor Williams/Knott
Bremsekabeltilbehør
Bremsekabel tilbehør
Bremsetrommler
Bremsejustering
Baksperre
Knæled
Bremsefjærer
Akselmuttere
Navkapper
Ankerplate
AL-KO AAA
Knott ANS
Knott hydraulik
Bremseudlignere
Løbenav
Hjulbolter og muttere
Hjullager
Hjullager
Hjullagresett
Hjullagre, løse
Tetningsringer
Låseringe
Akselmuttere
Navkapper
Påløpsbremser
Påløpsbremser
Påløpsbremser, komplett
Støtdempere
Gummibelger
Håndbrems
Håndbrems gassfjær
Fjærsylindre
Sikkerhedswire
Trekkrør
Foringer trekkrør
Bremsehevsarm
Bremseudlignere
Støttehjulskonsoller
Støttehjulsklemmer
Stikholdere
Dekke for påløpsbremse
Kulekoblinger
Kulekoblinger
Kulekoblinger ubremset
Kulekoblinger bremset
Stabilisatorkoblinger
Låse
Reservedeler for koblinger
Soft Dock
Lykter
Lykter
Lyktesett
Baklykter
Baklykter
Alle baklykter
NORDIC TrailerParts
NORDIC TrailerParts
NTP type 2
NTP baklykter
NTP lyktesett
NORDIC TrailerParts baklykter
AJ.BA
AJ.BA
AJ.BA RL80
AJ.BA FP15
AJ.BA FP31
AJ.BA FP11
AJ.BA baklykter
Aspöck
Aspöck
Aspöck Multipoint 1
Aspöck Multipoint 2
Aspöck Multipoint 3
Aspöck Multipoint 4
Aspöck Multipoint 5
Aspöck Minipoint
Aspöck Midipoint 1
Aspöck Midipoint 2
Aspöck Earpoint 1
Aspöck Earpoint 3
Aspöck Earpoint 4
Aspöck Earpoint LED
Aspöck Eurofab
Aspöck Roundpoint
Humbaur horisontal
Humbaur vertikal
Aspöck baklykter
Jokon
Jokon
Jokon 735
Jokon 730
Jokon 727
Jokon 726
Jokon 720
Jokon 280
Jokon 250
Jokon 915/930
Jokon 595
Jokon 610
Jokon 830
Jokon 206
Jokon 205
Jokon 1034/2029
Jokon 516
Jokon 2002
Jokon 710
Jokon 810
Jokon 561/562
Jokon 2000
Andre Jokon
Jokon baklykter
Radex
Radex
Radex 2800
Radex 5900/5901
Radex 6400
Radex 8500
Radex 2900
Radex 6800/6804
Radex baklykter
Fristom
NTP type 2
NTP baklykter
NTP lyktesett
AJ.BA RL80
AJ.BA FP15
AJ.BA FP31
AJ.BA FP11
Aspöck Multipoint 1
Aspöck Multipoint 2
Aspöck Multipoint 3
Aspöck Multipoint 4
Aspöck Multipoint 5
Aspöck Minipoint
Aspöck Midipoint 1
Aspöck Midipoint 2
Aspöck Earpoint 1
Aspöck Earpoint 3
Aspöck Earpoint 4
Aspöck Earpoint LED
Aspöck Eurofab
Aspöck Roundpoint
Humbaur horisontal
Humbaur vertikal
Fristom FT-270 LED
Jokon 735
Jokon 730
Jokon 727
Jokon 726
Jokon 720
Jokon 280
Jokon 250
Jokon 915/930
Jokon 595
Jokon 610
Jokon 830
Jokon 206
Jokon 205
Jokon 1034/2029
Jokon 516
Jokon 2002
Jokon 710
Jokon 810
Jokon 561/562
Jokon 2000
Radex 2800
Radex 5900/5901
Radex 6400
Radex 8500
Radex 2900
Radex 6800/6804
Andre baklykter
Markeringslykter
Markeringslykter
Alle markeringslykter
Hvite lykter
Gule lykter
Røde lykter
Hvit/Røde lykter
Slingrelykter
NTP LED
NTP LED slingrelykter
Aspöck Flexipoint 1
Aspöck Flexipoint 3
Aspöck Flatpoint 2
Aspöck Superpoint
Fristom FT-140 LED
Jokon 2002 LED
Jokon 2010 LED
Jokon 2012 LED
Jokon 2013 LED
Jokon 24-2 LED
Jokon 251 LED
Jokon 130
Jokon 230 LED
Jokon 1006
Jokon 2000
Jokon 272
Jokon 2020 LED
Jokon 2010 hvit/rød
Jokon 2011 LED
Jokon 07
Jokon 39
Jokon 2000 hvit/rød
Radex 910
Radex 929 LED
Radex 905
Radex 935 LED
Andre markeringslykter
Nummerplatelykter
Ryggelykter
Tåkelykter
Stoplykter
Arbejdslykter
Lyktbom
Reflekser
Ledningsnett
Multistikk
Glødelamper
Lystestere
Stikk
Stikk
Stikk
Stikkdoser
Holdere for stikkdose
Adapter
LED adapter
Spiralkabel
Kabel
Multistikk
Ledningsnett
Stikkholdere
Tilhengerkabel holder
Vinsjer
Vinsjer
12V el-vinsjer
24V el-vinsjer
Manuell vinsjer
Fjernbetjeninger
Monteringsplater
Dekningscover
Batterikasse
Quick-Connector
Taljeblok
Wire
Rullestyr
Kroker
Syntetisk tau
Alu-styr for tau
Trekkbånd for manuell vinsj
Releer og kontrollbokser
AL-KO reservedeler
EASY fjernbetjening
Støttehjul
Støttehjul
Støttehjul
Støttehjulsklemmer
Reservedeler
Støttehjulskonsoller
Støttehjulstraverse
Støtteben
Tilbehør
Tilbehør
Presenninger
Presenningsbøyler
Elastiksnor
Tilhengernett
Koblingslåse
Tilhengerbeslag
Tilhengerskjermer
Hjul
Felge
Hjulbolter og muttere
Reservehjulsholdere
Værktøyskasser
Kjøreramper
Surringsbeslag
Jekkestropper
Støtteben
Stopkiler
Trekk kuler
Kulebeskytter
Dokumentholder
Hydrauliksylinder
Sykkel-carrier
Caravantilbehør
Caravantilbehør
AL-KO ATC
Knott ETS
AL-KO caravanmover
Stabilisatorkoblinger
Reservehjulsholdere
Donkravter
AL-KO dekkplate
Tear Solution
Båthengertilbehør
Båthengertilbehør
Kølruller
Sideruller
Stævnstøtter
Bremseskyllesett
Gassfjærer
Gassfjærer
NORDIC TrailerParts gassfjærer
Universal gassfjærer
Tilbehør for gassfjærer
Aksler
Aksler
Aksel bremset
Aksel ubremset
Hjulstøtdemper
Støtdemperbrakett
Lagersalg
Info
Info
Finn den rette reservedelen
Finn den rette reservedelen
Finn de rette bremseskosett
Finn de rette bremsekabler
Finn den rette bremsetrommel
Finn den rette bremsereservedelen
Finn den rette påløpsbremse og reservedelen
Finn den rette aksel
Finn den rette gassfjær
FAQ nettbutikk
Om oss
Kontakt oss
Salgs- og leveringsbetingelser
Favorite list updated