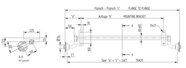
Aksel VG7-L B1500 C1950, 750Kg 100x4
8-6A2036017
kjegle ET -5 til 35 (6A8712.017)
- A-mål (Auflage)/B-mål (mm)
- 1500
- C-mål (Anlage) (mm)
- 1950
- Type nr.
- B850-5 , 700-5
- PCD/Boltsirkel (mm)
- 100x4
- Totalvekt enketaksel
- 750Kg
- Type nr.
- B850-5 , 700-5
- Fabrikat/Passer til
- Knott
- Original nr.
- 6A2036.017/ 6A2036017
- Produkt type
- Aksel uten brems
- Weight
- 25,5