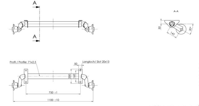
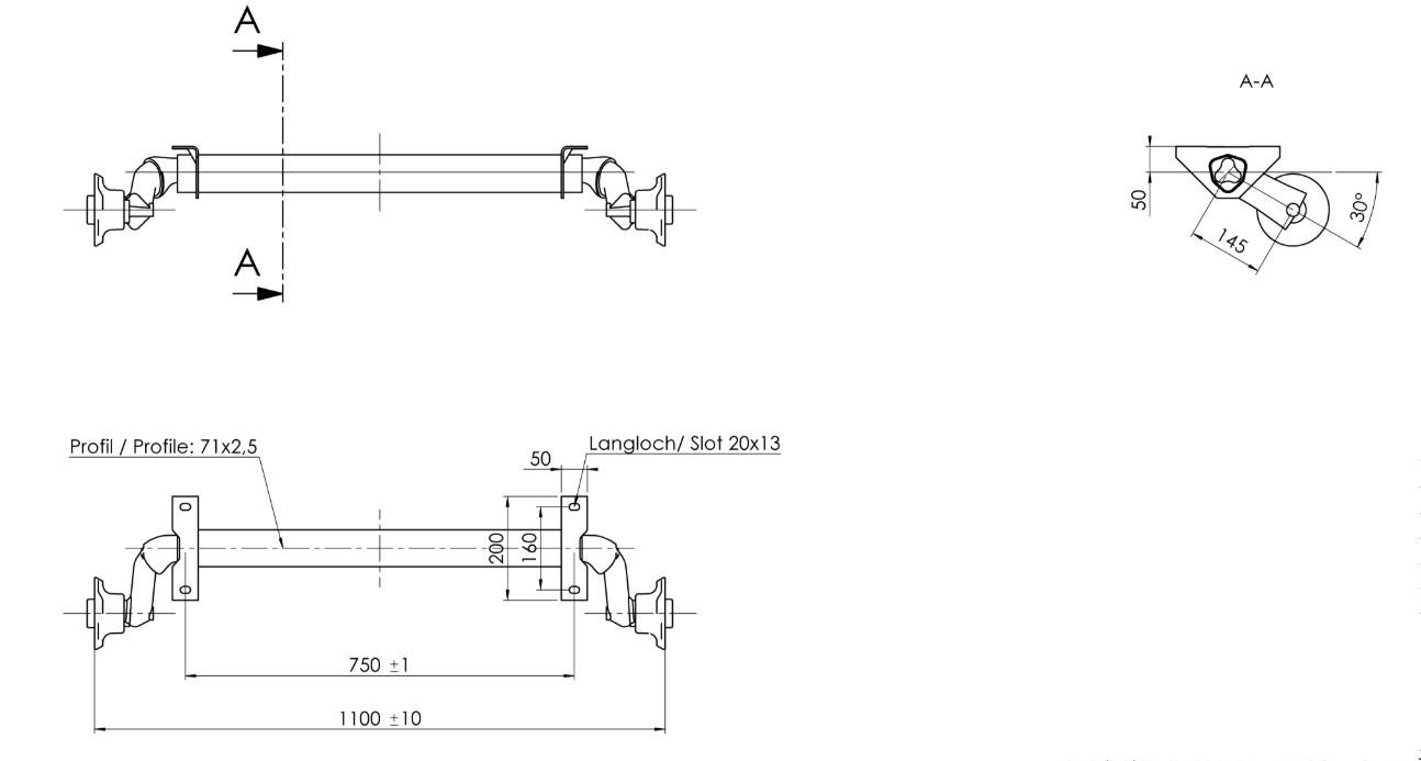
Aksel UBR700-5 A750 C1100, 750Kg, 180gr. vendt konsoll, se tegning (Lagersalg)
3-1702888
OPTIMA 100x4 ET30 med kjeglebolter
- A-mål (Auflage)/B-mål (mm)
- 750
- C-mål (Anlage) (mm)
- 1100
- Type nr.
- Ubremst AL-KO aksel , 700-5 , Optima
- PCD/Boltsirkel (mm)
- 100x4
- Totalvekt enketaksel
- 750Kg
- Type nr.
- Ubremst AL-KO aksel , 700-5 , Optima
- Fabrikat/Passer til
- AL-KO
- Original nr.
- 1702888
- Produkt type
- Aksel uten brems , Lagersalg
- Weight
- 20