Aksel VGB8-M B1700 C2150 850kg 112x5 kule 20-2425/1
8-B308144704
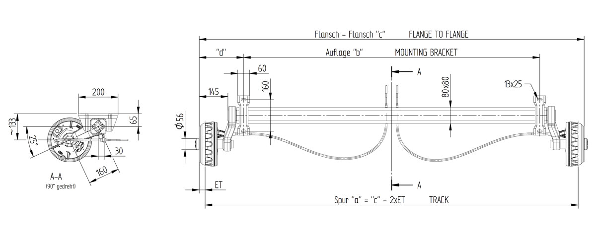
- A-mål (Auflage)/B-mål (mm)
- 1700
- C-mål (Anlage) (mm)
- 2150
- Type nr.
- B1200-6
- Bremsestørrelse
- 200x50mm
- PCD/Boltsirkel (mm)
- 112x5
- Brems type nr.
- 20-2425/1
- Totalvekt enketaksel
- 850Kg
- Totalvekt tandem
- 1700Kg
- Type nr.
- B1200-6
- Fabrikat/Passer til
- Knott
- Original nr.
- B308144704
- Produkt type
- Aksel med brems
- Weight
- 55,6