Aksel VGB18-MV B1200 C1670 1800Kg 112x5 kule 25-2025
8-B308289992
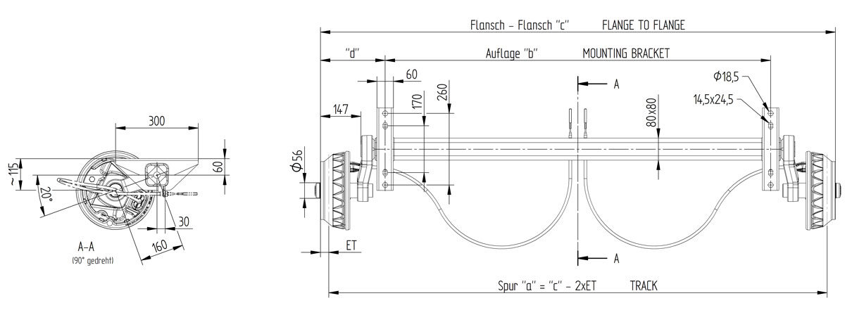
- A-mål (Auflage)/B-mål (mm)
- 1200
- C-mål (Anlage) (mm)
- 1670
- Type nr.
- B1600-3
- Bremsestørrelse
- 250x40mm
- PCD/Boltsirkel (mm)
- 112x5
- Brems type nr.
- 25-2025
- Totalvekt enketaksel
- 1800Kg
- Totalvekt tandem
- 3500Kg
- Type nr.
- B1600-3
- Fabrikat/Passer til
- Knott
- Original nr.
- B308289992
- Produkt type
- Aksel med brems
- Weight
- 77,8