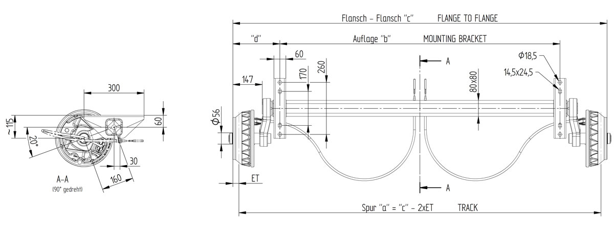
Aksel VGB15-MV/M B1500 C1970 1500kg 112x5 kule 20-2425/1
8-417179006
- A-mål (Auflage)/B-mål (mm)
- 1500
- C-mål (Anlage) (mm)
- 1970
- Type nr.
- B1600-1
- Bremsestørrelse
- 200x50mm
- PCD/Boltsirkel (mm)
- 112x5
- Brems type nr.
- 20-2425/1
- Totalvekt enketaksel
- 1500Kg
- Totalvekt tandem
- 3000Kg
- Type nr.
- B1600-1
- Fabrikat/Passer til
- Knott
- Original nr.
- 417179.006/ 417179006
- Produkt type
- Aksel med brems
- Weight
- 60,1