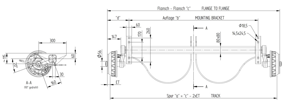
Aksel VGB15-MV/M B1200 C1670 1500kg 112x5 kule 20-2425/1
8-417179003
- A-mål (Auflage)/B-mål (mm)
- 1200
- C-mål (Anlage) (mm)
- 1670
- Type nr.
- B1600-1
- Bremsestørrelse
- 200x50mm
- PCD/Boltsirkel (mm)
- 112x5
- Brems type nr.
- 20-2425/1
- Totalvekt enketaksel
- 1500Kg
- Totalvekt tandem
- 3000Kg
- Type nr.
- B1600-1
- Fabrikat/Passer til
- Knott
- Original nr.
- 417179.003/ 417179003
- Produkt type
- Aksel med brems
- Weight
- 56,8