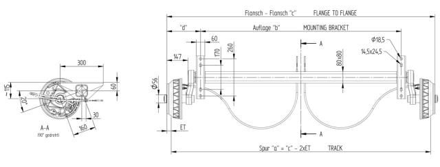
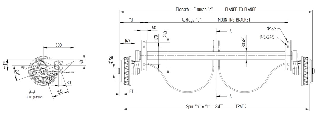
Aksel VGB15-MV/M B1000 C1470 1500kg 112x5 kule 20-2425/1

8-417179001
A-mål (Auflage)/B-mål (mm)
1000
C-mål (Anlage) (mm)
1470
Type nr.
B1600-1
Bremsestørrelse
200x50mm
PCD/Boltsirkel (mm)
112x5
Brems type nr.
20-2425/1
Totalvekt enketaksel
1500Kg
Totalvekt tandem
3000Kg
Type nr.
B1600-1
Fabrikat/Passer til
Knott
Original nr.
417179.001/ 417179001
Produkt type
Aksel med brems
Weight
54,6