Aksel VGB13-M B1400 C1850 1350kg 112x5 kule 20-2425/1
8-B308234917
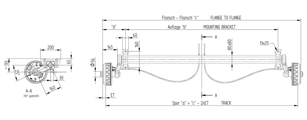
- A-mål (Auflage)/B-mål (mm)
- 1400
- C-mål (Anlage) (mm)
- 1850
- Type nr.
- Optima
- Bremsestørrelse
- 200x50mm
- PCD/Boltsirkel (mm)
- 112x5
- Brems type nr.
- 20-2425/1
- Totalvekt enketaksel
- 1350Kg
- Totalvekt tandem
- 2700Kg
- Type nr.
- Optima
- Fabrikat/Passer til
- Knott
- Original nr.
- B308234917
- Produkt type
- Aksel med brems
- Weight
- 53