Aksel VGB13-M B1200 C1650 1350kg 100x4 kjegle 20-2425/1 (Lagersalg)
8-B308239945
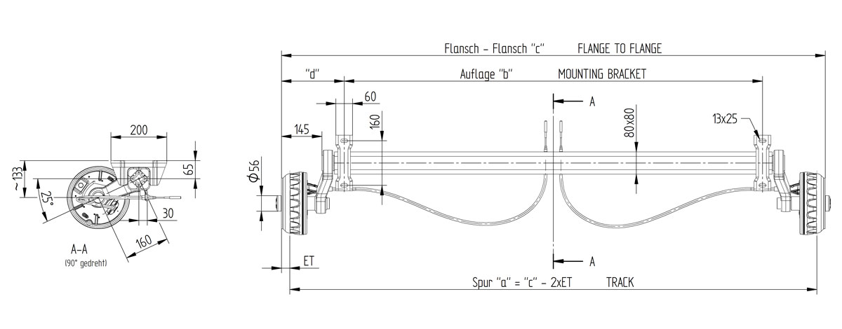
- A-mål (Auflage)/B-mål (mm)
- 1200
- C-mål (Anlage) (mm)
- 1650
- Type nr.
- Optima
- Bremsestørrelse
- 200x50mm
- PCD/Boltsirkel (mm)
- 100x4
- Brems type nr.
- 20-2425/1
- Totalvekt enketaksel
- 1350Kg
- Totalvekt tandem
- 2700Kg
- Type nr.
- Optima
- Fabrikat/Passer til
- Knott
- Original nr.
- B308239945
- Produkt type
- Aksel med brems , Lagersalg
- Weight
- 55,6