Aksel VGB10-M B1300 C1750 1050kg 112x5 kule 20-2425/1

8-B308179903
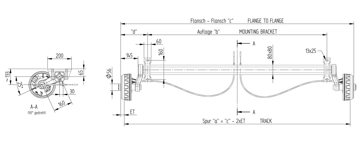
A-mål (Auflage)/B-mål (mm)
1300
C-mål (Anlage) (mm)
1750
Type nr.
B1800-9
Bremsestørrelse
200x50mm
PCD/Boltsirkel (mm)
112x5
Brems type nr.
20-2425/1
Totalvekt enketaksel
1050Kg
Totalvekt tandem
2100Kg
Type nr.
B1800-9
Fabrikat/Passer til
Knott
Original nr.
B308179903
Produkt type
Aksel med brems
Weight
52,1