Aksel VGB10-M B1300 C1750 1050kg 100x4 kjegle 20-2425/1
8-B308174852
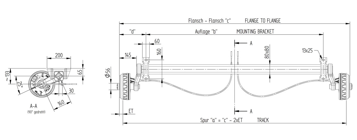
- A-mål (Auflage)/B-mål (mm)
- 1300
- C-mål (Anlage) (mm)
- 1750
- Type nr.
- B1800-9
- Bremsestørrelse
- 200x50mm
- PCD/Boltsirkel (mm)
- 100x4
- Brems type nr.
- 20-2425/1
- Totalvekt enketaksel
- 1050Kg
- Totalvekt tandem
- 2100Kg
- Type nr.
- B1800-9
- Fabrikat/Passer til
- Knott
- Original nr.
- B308174852
- Produkt type
- Aksel med brems
- Weight
- 52