Aksel VGB10-M B1200 C1650 1050kg 112x5 kule 20-2425/1
8-B308174853
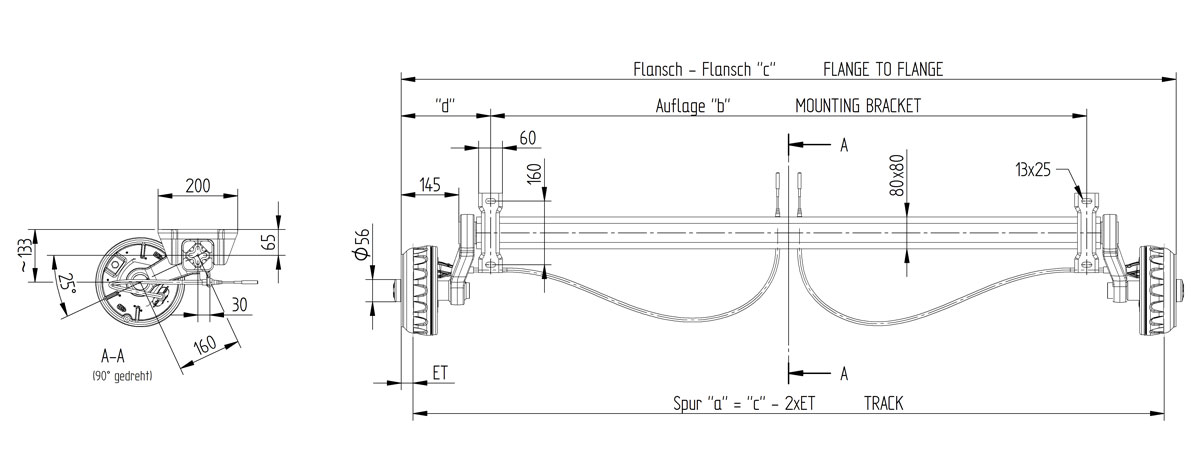
- A-mål (Auflage)/B-mål (mm)
- 1200
- C-mål (Anlage) (mm)
- 1650
- Type nr.
- B1800-9
- Bremsestørrelse
- 200x50mm
- PCD/Boltsirkel (mm)
- 112x5
- Brems type nr.
- 20-2425/1
- Totalvekt enketaksel
- 1050Kg
- Totalvekt tandem
- 2100Kg
- Type nr.
- B1800-9
- Fabrikat/Passer til
- Knott
- Original nr.
- B308174853
- Produkt type
- Aksel med brems
- Weight
- 51,2