Aksel B850-10 A1700 C2150, 1000Kg, 2051 112x5 ET30

3-20016651
med kulebolter og bremskabler
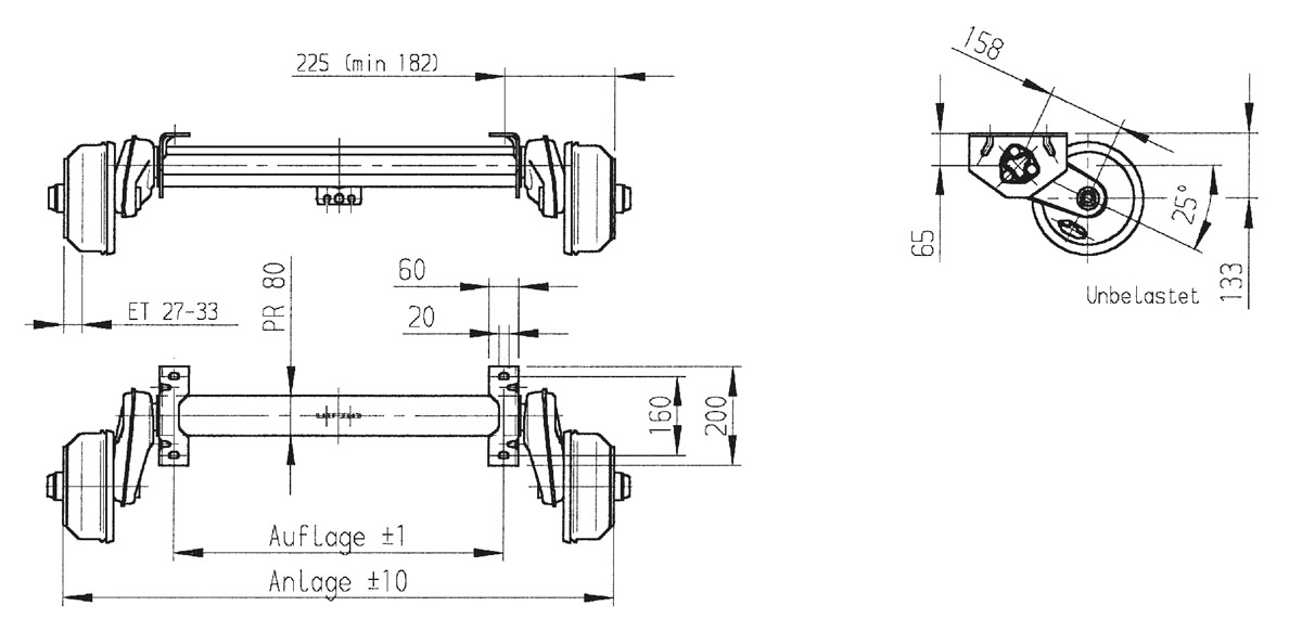
A-mål (Auflage)/B-mål (mm)
1700
C-mål (Anlage) (mm)
2150
Type nr.
Ubremst AL-KO aksel
Bremsestørrelse
200x50mm
PCD/Boltsirkel (mm)
112x5
Brems type nr.
2051
Totalvekt enketaksel
1000Kg
Totalvekt tandem
2000Kg
Type nr.
Ubremst AL-KO aksel
Fabrikat/Passer til
AL-KO
Original nr.
20016651
Produkt type
Aksel med brems
Weight
43