Aksel B850-10 A1000 C1450, 1000Kg, 2051 100x4 ET30 (Lagersalg)
3-267110
med kjeglebolter og bremskabler
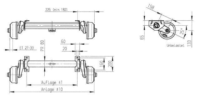
- A-mål (Auflage)/B-mål (mm)
- 1600
- C-mål (Anlage) (mm)
- 2100
- Type nr.
- B850-10
- PCD/Boltsirkel (mm)
- 100x4
- Totalvekt enketaksel
- 1000Kg
- Totalvekt tandem
- 2000Kg
- Type nr.
- B850-10
- Fabrikat/Passer til
- AL-KO
- Produkt type
- Aksel med brems , Lagersalg
- Weight
- 42