Aksel B1200-6 A1580 C2030, 1350Kg, 2051 112x5 ET30
3-20001451
med kulebolter og bremskabler
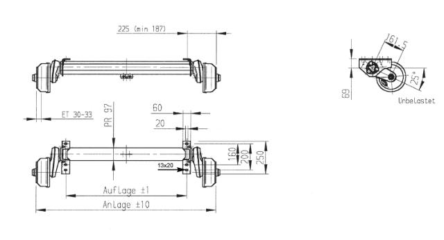
- A-mål (Auflage)/B-mål (mm)
- 1580
- C-mål (Anlage) (mm)
- 2030
- Type nr.
- VGB8-M
- Bremsestørrelse
- 200x50mm
- PCD/Boltsirkel (mm)
- 112x5
- Brems type nr.
- 2051
- Totalvekt enketaksel
- 1350Kg
- Totalvekt tandem
- 2700Kg
- Type nr.
- VGB8-M
- Fabrikat/Passer til
- AL-KO
- Original nr.
- 20001451
- Produkt type
- Aksel med brems
- Weight
- 50