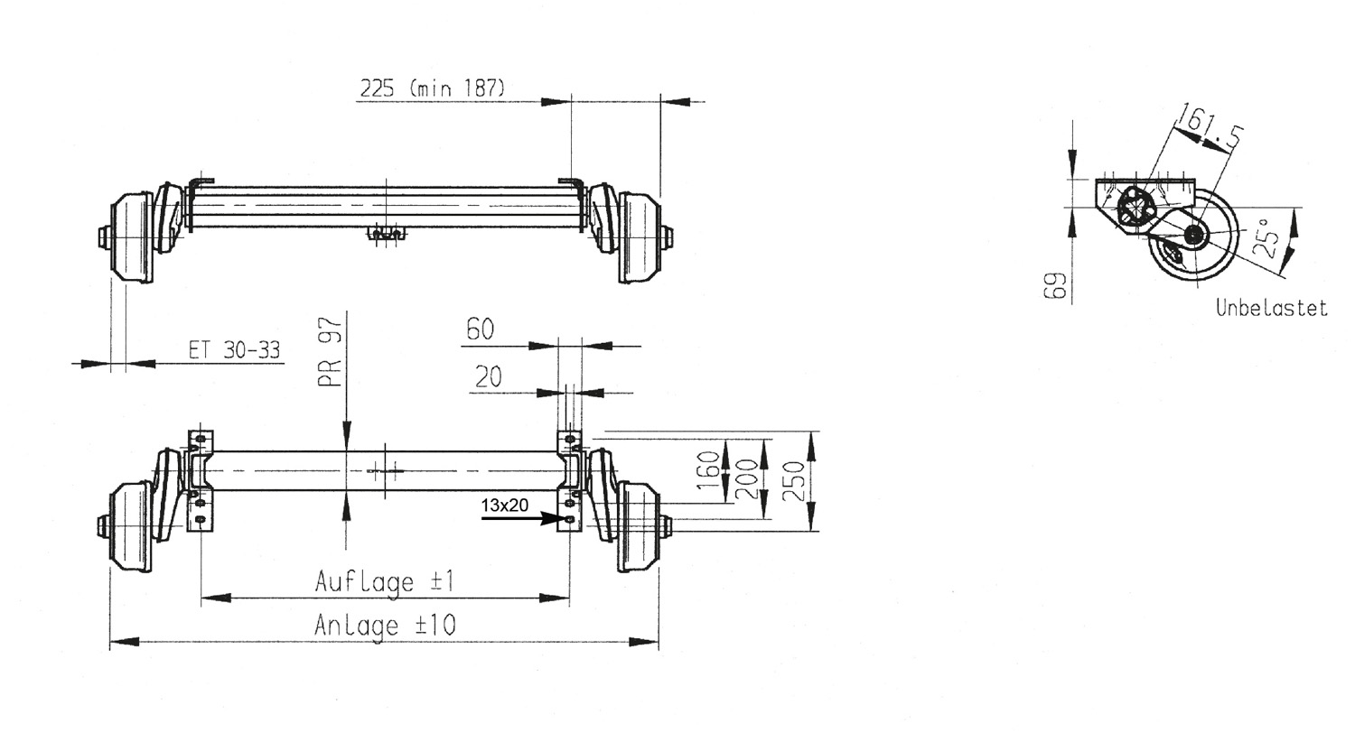
Aksel B1200-6 A1530 C1980, 1350Kg, 2051 112x5 ET30

3-20001351
med kulebolter og bremskabler
A-mål (Auflage)/B-mål (mm)
1530
C-mål (Anlage) (mm)
1980
Type nr.
VGB8-M
Bremsestørrelse
200x50mm
PCD/Boltsirkel (mm)
112x5
Brems type nr.
2051
Totalvekt enketaksel
1350Kg
Totalvekt tandem
2700Kg
Type nr.
VGB8-M
Fabrikat/Passer til
AL-KO
Original nr.
20001351
Produkt type
Aksel med brems
Weight
48